Welcome to the official website of Wuxi Huake Machinery Equipment Co., Ltd.!
导航
Hotline: 0510-88783691
Hotline: 0510-88782152
×
Huake Machinery makes the unattainable a piece of cake
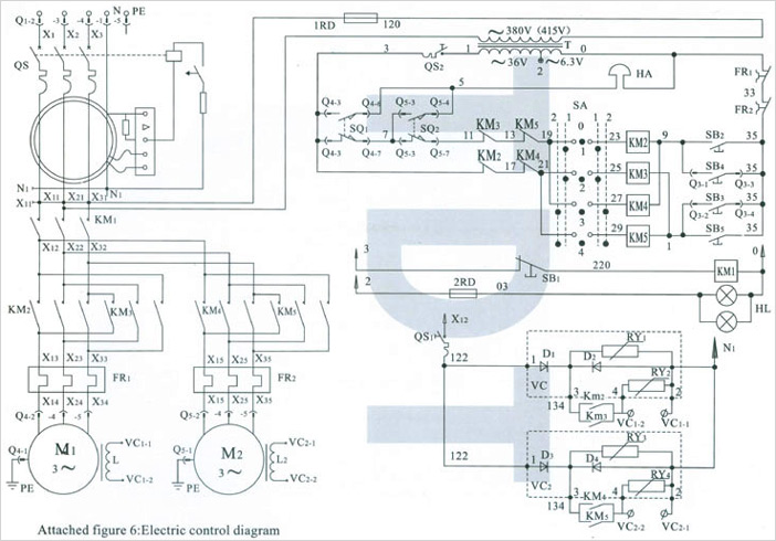
Electricity box

Electrical control system adopts a variety of protection devices, automatic limit, leakage protection, overheating protection, emergency braking, current overload protection, easy to operate, safe and reliable.

Home
Company
Honor
Partner
Case
Video
News
NEWS
Company information
Industry dynamic
Q&A
Product
Lift platform
Construction lifting platform
Suspended platform
Contact
Contact
Feedback
Wuxi Huake Machine Equipment Co., Ltd.
Add: No.120 jiaoyang road, yangjian industrial park, xishan district, Wuxi
Code: 214107
E-mail: sales@china-tdt.com
Sales department: 86-510-88782152